• Overview
  • Spare Parts
  • Certificates And Protocols
  • Operation
  1. Overview
  2. Spare Parts
  3. EC 120T CL s/n DEQ181878 -
  4. Mechanical
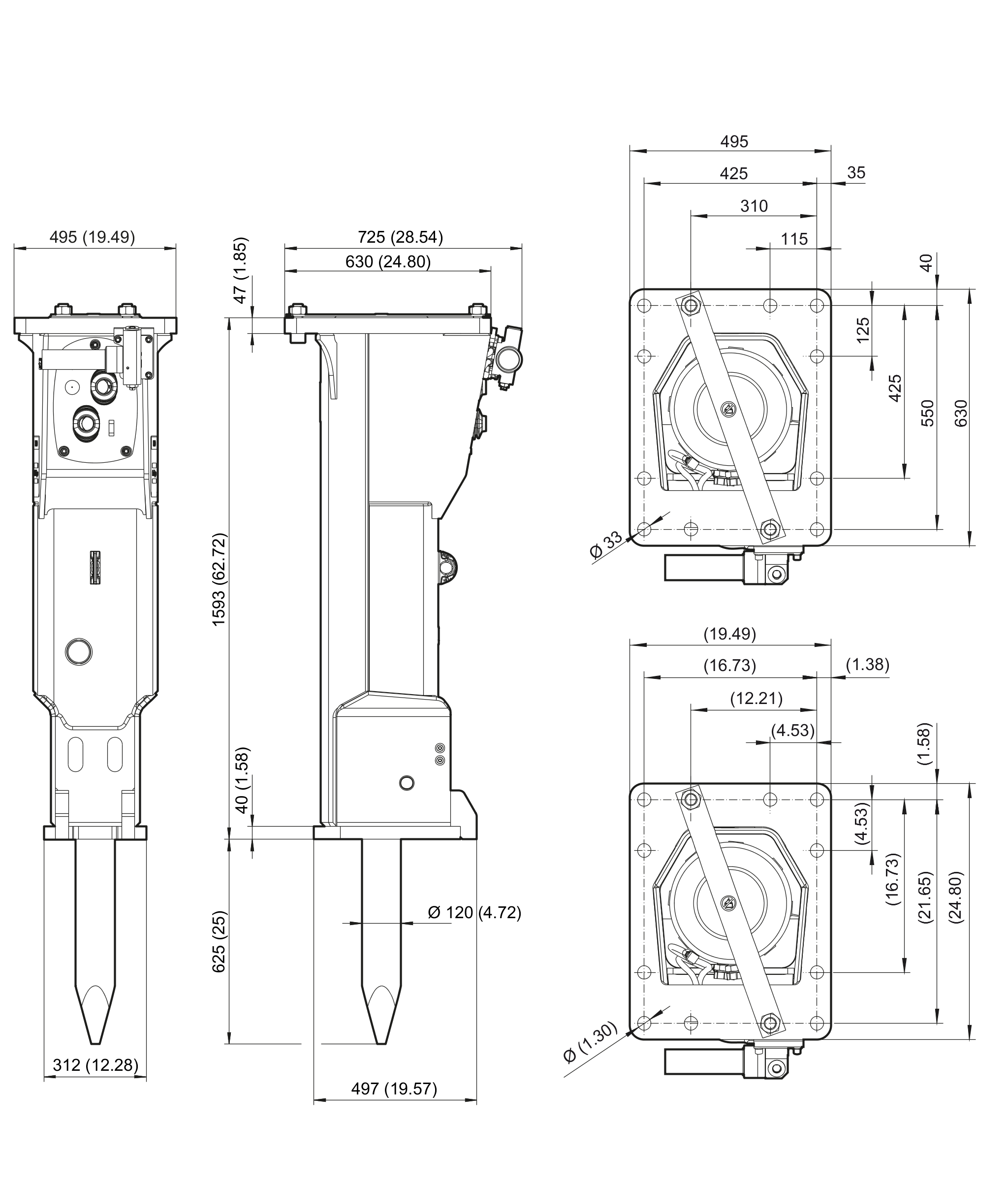
  5. Dimensions
Mechanical
  • EC 120T CL s/n DEQ181878 -
  • EC 120 CL DEQ140307-DEQ150543 PDF
  • EC 120 CL DEQ150544-DEQ181877 PDF
  • EC 120 CL DEQ181878-DEQ250046 PDF
  • EC 120 CL DEQ250047- PDF
  • Service, repair and wear part kits
  • Mechanical
  • Options / accessories
  • Hydraulic breaker
  • Percussion unit part 1: cover
  • Percussion unit part 2: main body complete
  • Connecting parts for automatic lubrication system
  • HATCON
  • Optional parts
  • Tightening torques
  • Dimensions
© 2026 EpirocLegal notice Privacy policy

Spare Parts

Dimensions

Illustration for 0
#
Part number
Name
QTY
Remarks
Information
No part list found.