• Overview
  • Spare Parts
  • Operation
  • Certificates And Protocols
  1. Overview
  2. Spare Parts
  3. SB 302 Tunnel s/n BES083100 -
  4. Service, repair and wear part kits
  5. Seal kit
Service, repair and wear part kits
  • SB 302 Tunnel s/n BES083100 -
  • SB 302 Tunnel BES083100- PDF
  • SB accumulator screws
  • SB 302 Scaler BES043707- PDF
  • SB 302 Scaler BES008861-BES043706 PDF
  • SB 302 Scaler BES008572-BES008860 PDF
  • Service, repair and wear part kits
  • Mechanical
  • Options and accessories
  • Annex
  • Label kit
  • Seal kit
  • Lower hammer part kit
  • Accumulator repair kit
© 2026 EpirocLegal notice Privacy policy

Spare Parts

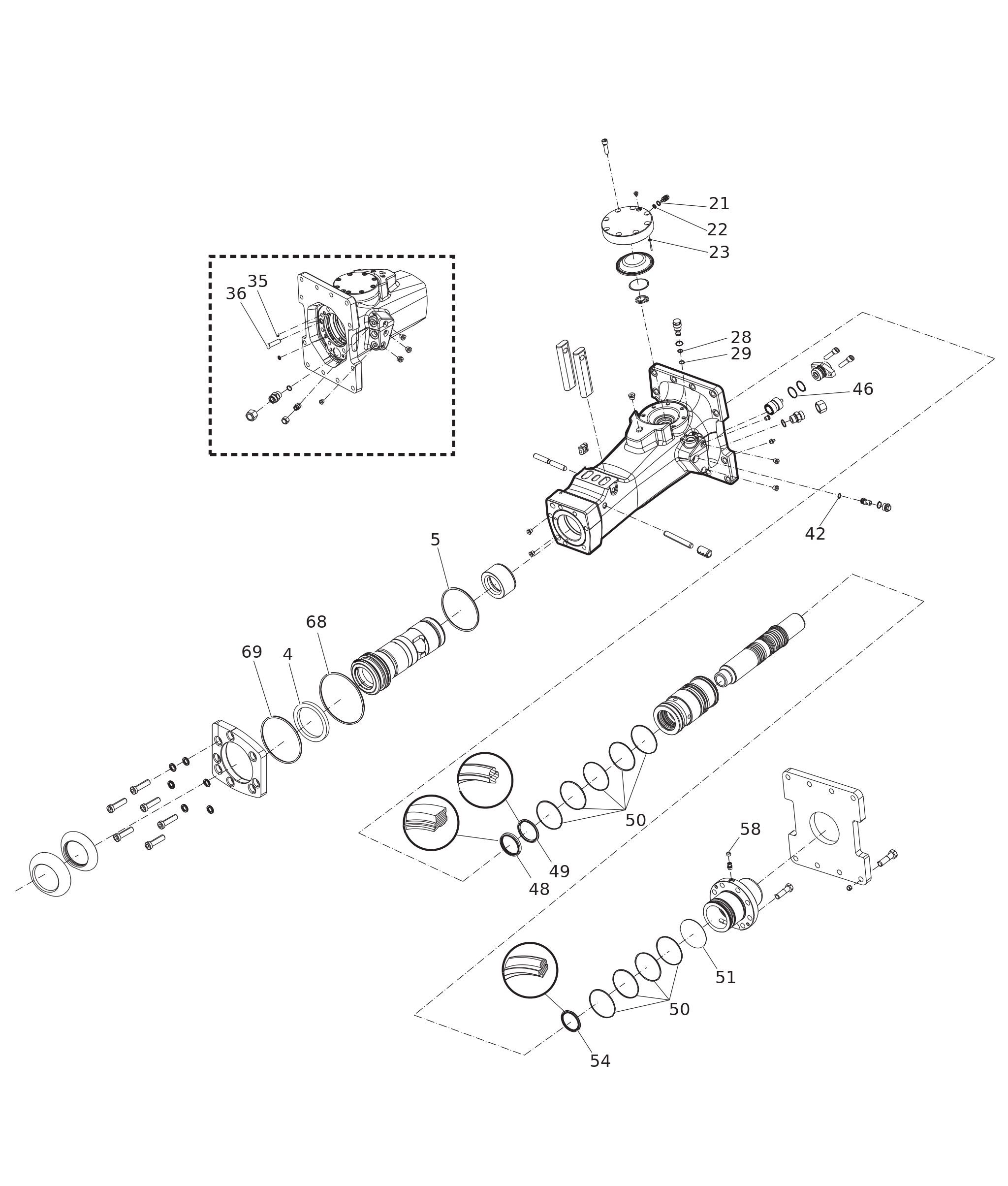
Seal kit

Illustration for 0
#
Part number
Name
QTY
Remarks
Information
-SEAL KIT1
3315325000SCRAPER RING1
0663210617O-RING1
0663212000O-RING1
3115329002SEAL RING1
0663211400O-RING1
0663210421O-RING1
0661200401BACK-UP RING1
0665090014SEAL RING2
3315336700PLUG1
0663210421O-RING1
0663211444O-RING2
0665909957WIPER1
0665070137PISTON ROD SEAL1
0663990031SEAL RING9
0663210669O-RING1
0665070146PISTON ROD SEAL1
3315280800VALVE RUBBER1
0663210785O-RING1
0663210713O-RING1
9125621100O-RING2