• Overview
  • Spare Parts
  • Operation
  • Certificates And Protocols
  • Maintenance
  1. Overview
  2. Spare Parts
  3. SB 202 Tunnel s/n BES127481 -
  4. Mechanical
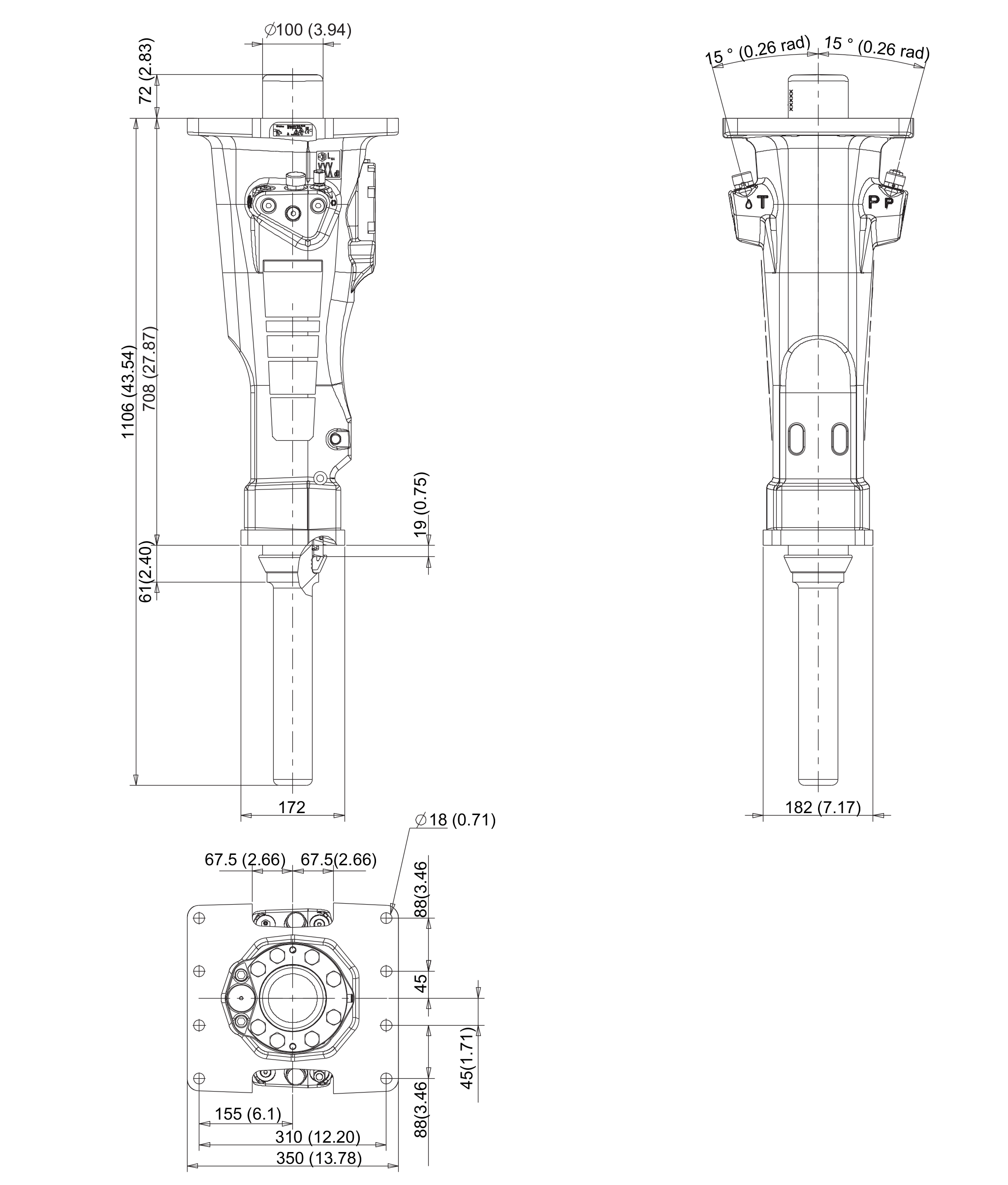
  5. Dimensions mm (in.)
Mechanical
  • SB 202 Tunnel s/n BES127481 -
  • Base plate (4) SB 202, ES 60, HC 308, HC 350, HC 409, HC 450
  • SB 202 Tunnel BES127481- PDF
  • Service, repair and wear part kits
  • Mechanical
  • Options / accessories
  • Annex
  • Hydraulic breaker
  • Bushing oversize, complete
  • Restrictor, complete
  • Tightening torque
  • Dimensions mm (in.)
  • Assembly instruction
© 2026 EpirocLegal notice Privacy policy

Spare Parts

Dimensions mm (in.)

Illustration for 0
#
Part number
Name
QTY
Remarks
Information
No part list found.