Mechanical
Spare Parts
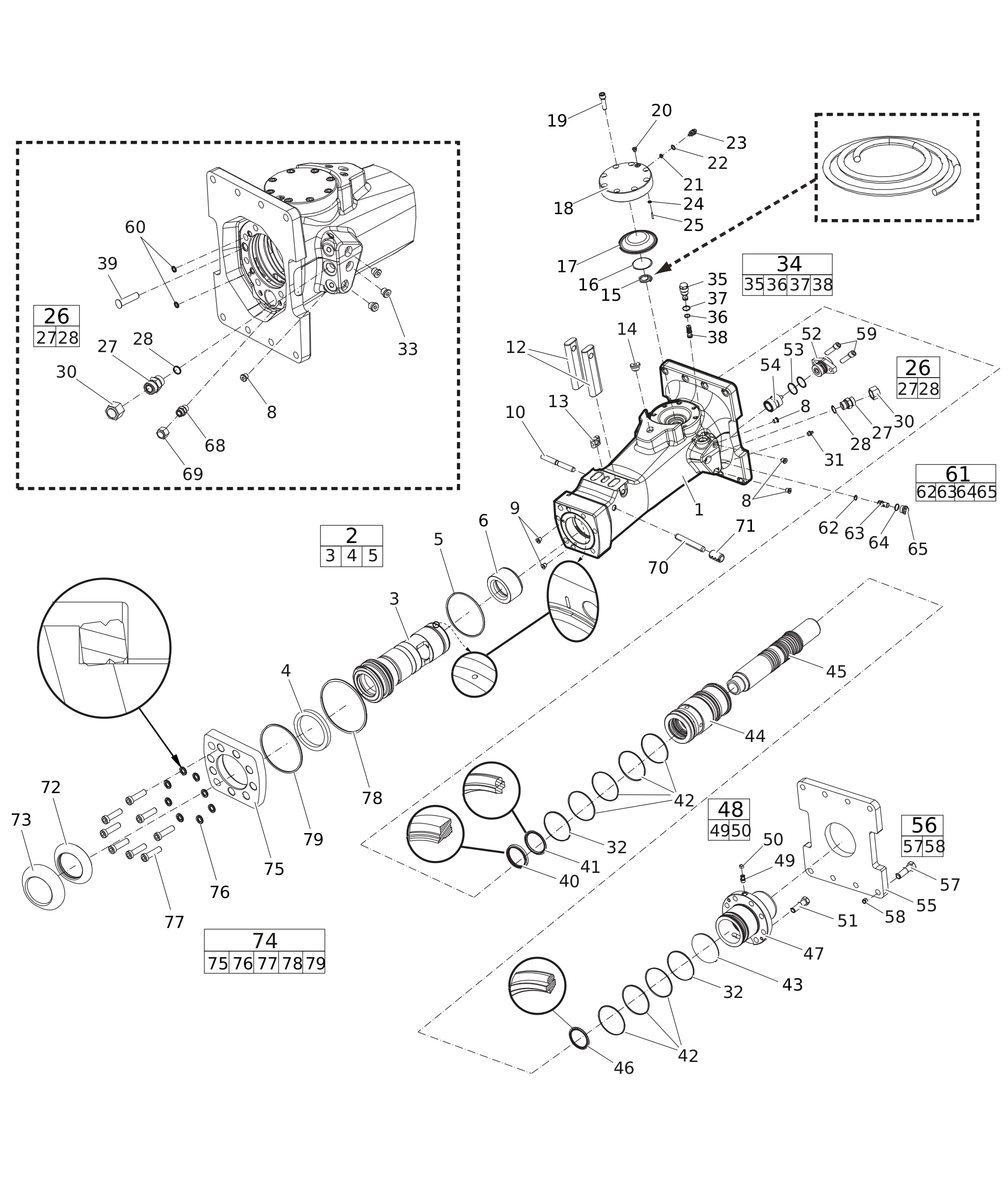
| # | Part number | Name | QTY | Remarks | ||
|---|---|---|---|---|---|---|
| - | BREAKER BODY | 1 | ||||
| - | BREAKER BODY | 8 | ||||
| - | BREAKER BODY | 1 | ||||
| - | BREAKER BODY | 1 | ||||
| - | BREAKER BODY | 1 | ||||
| - | BREAKER BODY | 1 | ||||
| - | BREAKER BODY | 8 | ||||
| - | BREAKER BODY | 1 | ||||
| 3382070192 | BUSHING TUNNEL, complete | 1 | ||||
| 3382070192 | BUSHING TUNNEL, complete | 0 | ||||
| - | BUSHING, Ø 90 mm (Ø 3.54 in.) | 1 | ||||
| 3315356200 | SCRAPER RING | 1 | ||||
| 0663210498 | O-RING | 4 | ||||
| 3315277800 | STOP RING | 1 | ||||
| 3315277800 | STOP RING | 0 | ||||
| 0686644207 | PLUG | 0 | ||||
| 0686644207 | PLUG | 4 | ||||
| 3315395200 | WATER NOSSLE | 0 | ||||
| 3315395200 | WATER NOSSLE | 2 | ||||
| 3315135010 | LOCK PIN | 0 | ||||
| 3315135010 | LOCK PIN | 1 | ||||
| 3315134910 | RETAINER BAR | 0 | ||||
| 3315134910 | RETAINER BAR | 2 | ||||
| 3315141900 | LOCK BUFFER | 1 | ||||
| 3315141900 | LOCK BUFFER | 0 | ||||
| 0686371803 | PLUG | 0 | ||||
| 0686371803 | PLUG | 1 | ||||
| 3315359600 | COIL SPRING | 0 | ||||
| 3315359600 | COIL SPRING | 1 | ||||
| 3315359500 | DIAPHRAGM SUPPORT | 0 | ||||
| 3315359500 | DIAPHRAGM SUPPORT | 1 | ||||
| 3315289000 | DIAPHRAGM | 0 | ||||
| 3315289000 | DIAPHRAGM | 1 | ||||
| 3315282400 | ACCUMULATOR HOUSE | 0 | ||||
| 3315282400 | ACCUMULATOR HOUSE | 1 | ||||
| 0211196534 | HEX SOCK. SCREW | 0 | ||||
| 0211196534 | HEX SOCK. SCREW | 8 | ||||
| 0686371805 | PLUG | 0 | ||||
| 0686371805 | PLUG | 1 | ||||
| 3115329002 | SEAL RING | 0 | ||||
| 3115329002 | SEAL RING | 1 | ||||
| 0663212000 | O-RING | 1 | ||||
| 0663212000 | O-RING | 0 | ||||
| 3315366000 | VALVE | 0 | ||||
| 3315366000 | VALVE | 1 | ||||
| 0101414000 | PIN | 1 | ||||
| 0101414000 | PIN | 0 | ||||
| 0663211400 | O-RING | 1 | ||||
| 0663211400 | O-RING | 0 | ||||
| 0580001846 | PIPE COUPLING | 0 | ||||
| 0580001846 | PIPE COUPLING | 2 | ||||
| 0664000003 | SEAL RING | 1 | ||||
| 3361353486 | COVER | 2 | ||||
| 3361353486 | COVER | 0 | ||||
| 3360433774 | GREASE NIPPLE | 1 | ||||
| 3360433774 | GREASE NIPPLE | 0 | ||||
| 0663990036 | SEAL RING | 0 | ||||
| 0663990036 | SEAL RING | 2 | ||||
| 0686371801 | PLUG | 0 | ||||
| 0686371801 | PLUG | 3 | ||||
| 3315335000 | PRESSURE RELIEF VALVE, complete | 1 | CAS No. see chapter "Environmental Product Compliance - REACH Declaration" | |||
| 3315335000 | PRESSURE RELIEF VALVE, complete | 0 | ||||
| 0663903201 | O-RING | 1 | ||||
| - | O-RING | 1 | ||||
| 3315336700 | PLUG | 1 | ||||
| 3315336700 | PLUG | 0 | ||||
| 0665909956 | WIPER | 1 | ||||
| 0665909956 | WIPER | 0 | ||||
| 0665070130 | PISTEN ROD SEAL | 1 | ||||
| 0665070130 | PISTEN ROD SEAL | 0 | ||||
| 0663210494 | O-RING | 7 | ||||
| 0663210494 | O-RING | 0 | ||||
| 0663211516 | O-RING | 0 | ||||
| 0663211516 | O-RING | 1 | ||||
| 3315277420 | LINER | 1 | ||||
| 3315277420 | LINER | 0 | ||||
| 3315441900 | PISTON | 1 | ||||
| 3315441900 | PISTON | 0 | ||||
| 0665070129 | PISTON ROD SEAL | 0 | ||||
| 0665070129 | PISTON ROD SEAL | 1 | ||||
| 3315293110 | BACK HEAD | 1 | ||||
| 3315293110 | BACK HEAD | 0 | ||||
| 3315244881 | CHECK VALVE, complete | 0 | ||||
| 3315244881 | CHECK VALVE, complete | 1 | ||||
| 3315280800 | VALVE RUBBER | 1 | ||||
| 0147148103 | SCREW, HEX HEAD | 0 | ||||
| 0147148103 | SCREW, HEX HEAD | 8 | ||||
| 3315352020 | VALVE COVER | 1 | ||||
| 3315352020 | VALVE COVER | 0 | ||||
| 0663211444 | O-RING | 0 | ||||
| 0663211444 | O-RING | 2 | ||||
| 3315277600 | CONTROL VALVE | 0 | ||||
| 3315277600 | CONTROL VALVE | 1 | ||||
| 3315295100 | BASE PLATE | 0 | ||||
| 3315295100 | BASE PLATE | 1 | ||||
| 3315296490 | BOLT KIT | 0 | ||||
| 3315296490 | BOLT KIT | 1 | ||||
| 0211110349 | SCREW, M14 x 65 mm (2.56 in.) | 0 | ||||
| 0211110349 | SCREW, M14 x 65 mm (2.56 in.) | 2 | ||||
| 0665090014 | SEAL RING | 2 | ||||
| 0665090014 | SEAL RING | 0 | ||||
| 3315369477 | RESTRICTOR, complete | 0 | ||||
| 3315369477 | RESTRICTOR, complete | 1 | ||||
| 0663210421 | O-RING | 1 | ||||
| 3315369177 | RESTRICTOR, Ø 7.7 mm (Ø 0.30 in.) | 1 | ||||
| 0663212141 | O-RING | 1 | ||||
| 3315369200 | RESTRICTOR PLUG | 1 | ||||
| 3176634800 | NIPPLE | 0 | ||||
| 3176634800 | NIPPLE | 1 | ||||
| 3176542900 | CAP | 1 | ||||
| 3176542900 | CAP | 0 | ||||
| 3315434910 | BUSHING PIN | 1 | ||||
| 3315434910 | BUSHING PIN | 0 | ||||
| 0108110322 | SPRING PIN | 0 | ||||
| 0108110322 | SPRING PIN | 1 | ||||
| 3315440402 | DUST COVER | 1 | ||||
| 3315440402 | DUST COVER | 0 | ||||
| 3315440401 | FRONT SHIELD | 0 | ||||
| 3315440401 | FRONT SHIELD | 1 | ||||
| 3382070193 | WEAR PLATE, complete | 0 | ||||
| 3382070193 | WEAR PLATE, complete | 1 | ||||
| - | WEAR PLATE | 1 | ||||
| 5750533237 | LOCK WASHER | 8 | ||||
| 3315431100 | SCREW | 8 | ||||
| 0663210787 | O-RING | 1 | ||||
| 0663211198 | O-RING | 1 |