• Overview
  • Spare Parts
  • Certificates And Protocols
  • Operation
  • Maintenance
  1. Overview
  2. Spare Parts
  3. EC 70T s/n BES140547 -
  4. Mechanical
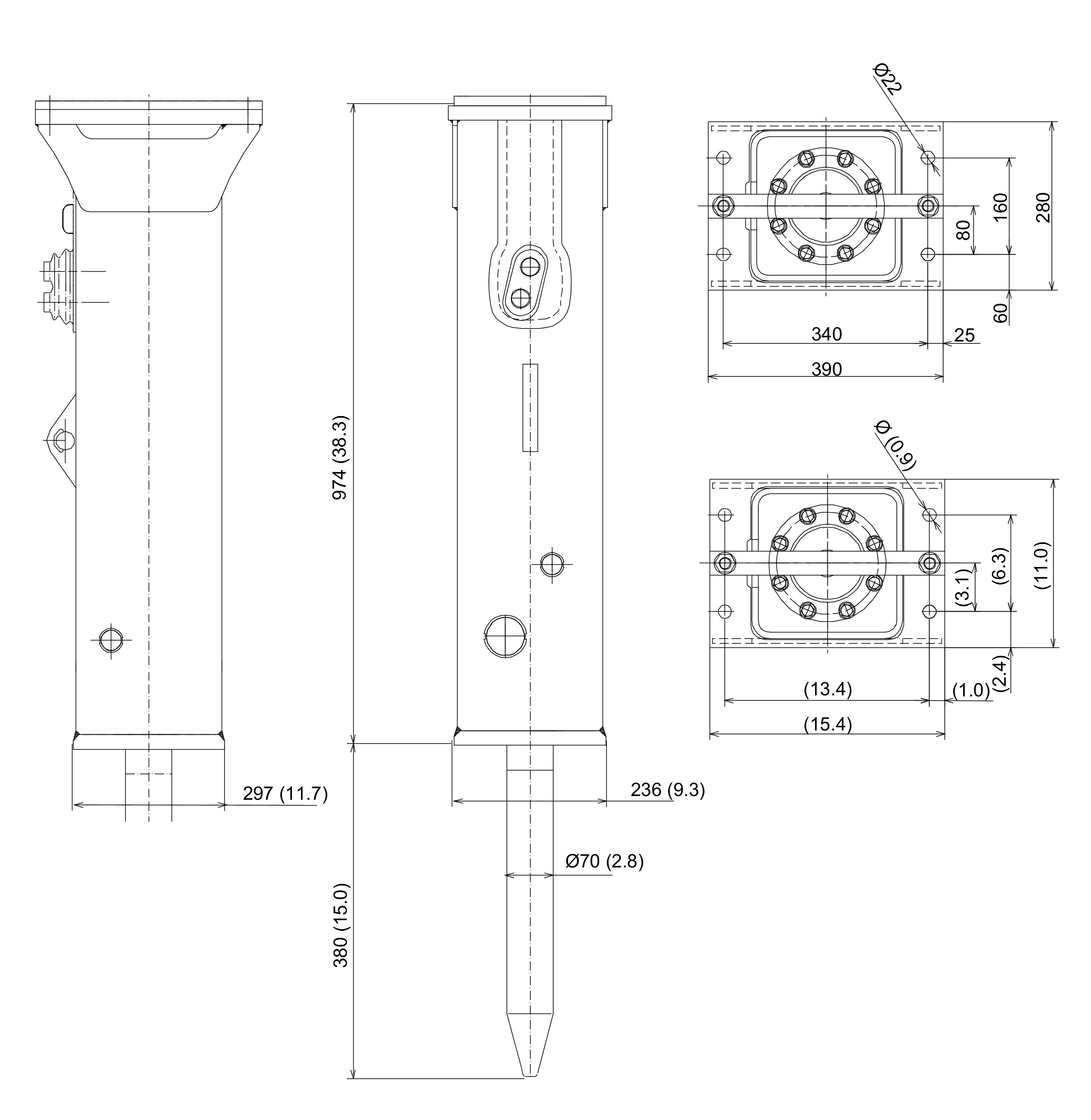
  5. Main dimensions, mm (in.)
Mechanical
  • Base plate (39) EC 60T, EC 70T, EC 80T
  • EC 70T s/n BES140547 -
  • EC 70 BES094711-BES140546 PDF
  • EC 70 BES140547- PDF
  • Service, repair and wear part kits
  • Mechanical
  • Options/accessories
  • Hydraulic breaker
  • Percussion unit
  • HATCON (Horizontal)
  • Tightening torques
  • Assembly instruction
  • Main dimensions, mm (in.)
© 2026 EpirocLegal notice Privacy policy

Spare Parts

Main dimensions, mm (in.)

Illustration for 0
#
Part number
Name
QTY
Remarks
Information
No part list found.