• Overview
  • Spare Parts
  • Operation
  • Certificates And Protocols
  • Maintenance
  1. Overview
  2. Spare Parts
  3. SB 1102 s/n BES059443 -
  4. Service, repair and wear part kits
  5. Lower hammer part kit
Service, repair and wear part kits
  • SB 1102 s/n BES059443 -
  • Base plate SB 1102
  • SB 1102 BES059443- PDF
  • Forced air ventilation in underwater applications
  • Service, repair and wear part kits
  • Mechanical
  • Options / accessories
  • Annex
  • Label kit
  • Seal kit
  • Lower hammer part kit
  • Accumulator repair kit
© 2026 EpirocLegal notice Privacy policy

Spare Parts

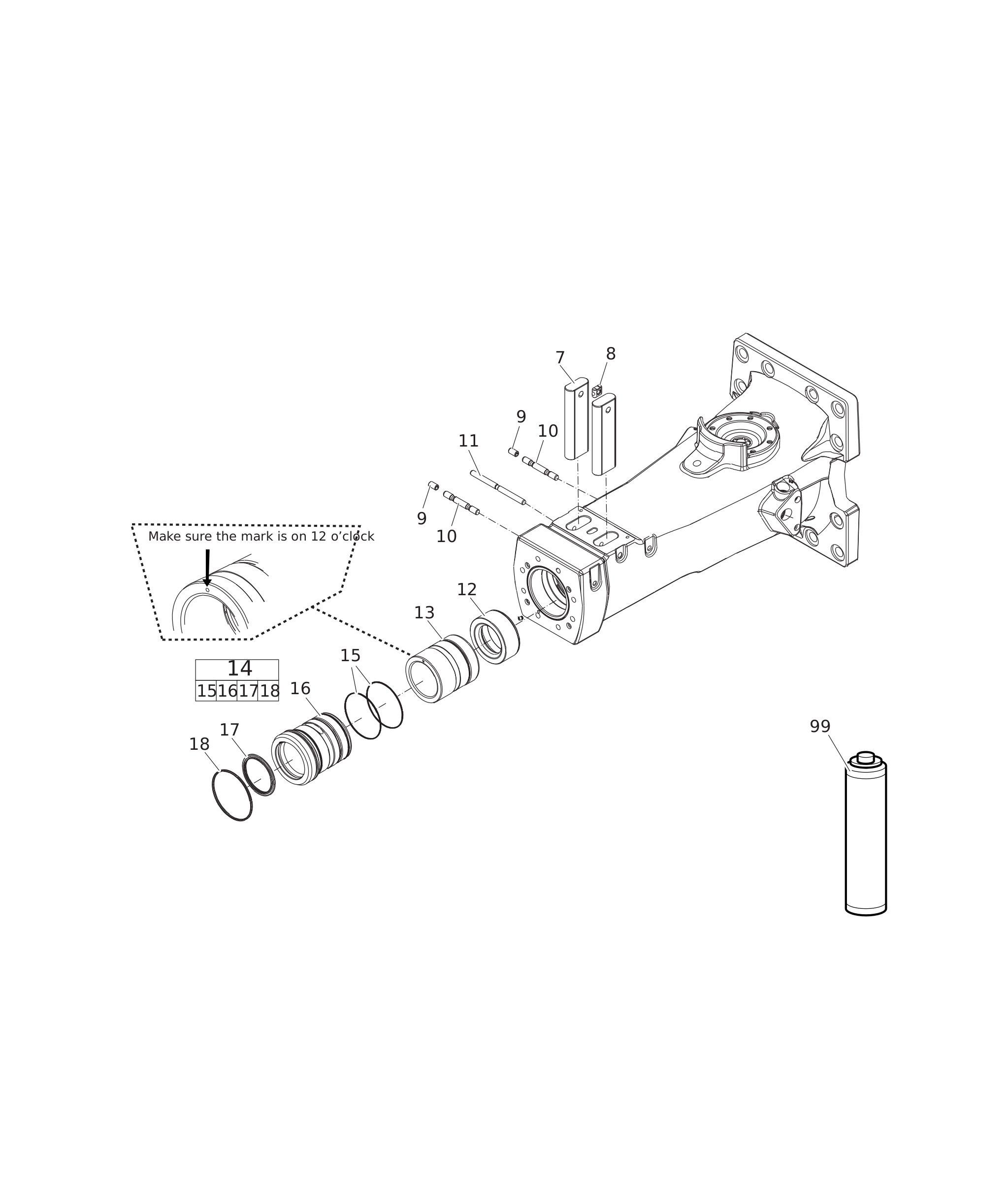
Lower hammer part kit

Illustration for 0
#
Part number
Name
QTY
Remarks
Information
3382070082LOWER HAMMER PART KIT1
3315412100RETAINER BAR2
3315141900LOCK BUFFER1
0108110322SPRING PIN2
3315395700LOCKING PIN2
3315411800LOCKING PIN1
3315411500STOP RING1
3315411600WEAR BUSH1
-WEAR BUSH, complete1
0663212001O-RING2
-WEAR BUSH1
3315412200SCRAPER RING1
0663212002O-RING1
-BIO CHISEL PASTE CARTRIDGE, 1 x 400 g (0.88 lbs)1