Mechanical
Spare Parts
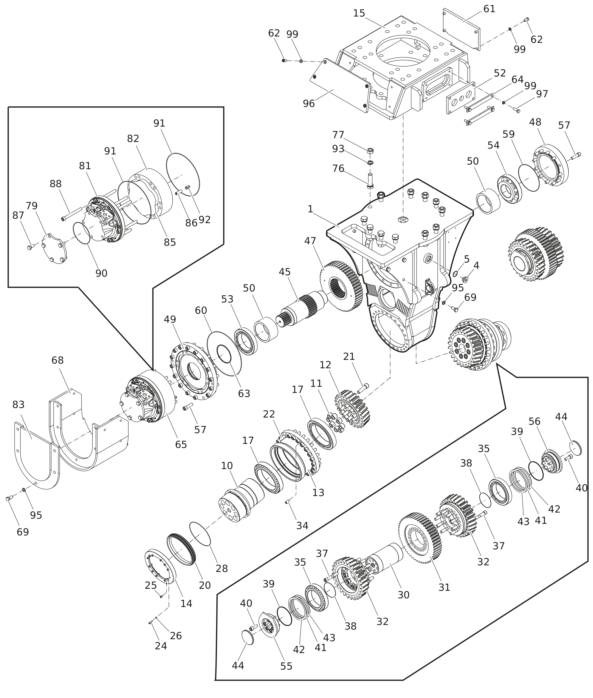
| # | Part number | Name | QTY | Remarks | ||
|---|---|---|---|---|---|---|
| 3311006380 | Gear housing | 1 | ||||
| 3311000583 | Plug | 2 | ||||
| 3311000584 | Seal | 2 | ||||
| 3311006383 | Output shaft | 2 | see Output unit cpl. | |||
| 3311006350 | Bushing | 16 | ||||
| 3311006347 | Bevel gear | 2 | ||||
| 3311006384 | Housing (output shaft) | 2 | see Output unit cpl. | |||
| 3311000326 | Sealing cover | 2 | ||||
| 3311005724 | Intermediate bracket | 1 | ||||
| 3311006348 | Inner race (tapered roller bearing) | 4 | ||||
| 3311000589 | Seal | 2 | ||||
| 3311001934 | Allen screw | 16 | ||||
| 3311002498 | Allen screw | 48 | ||||
| 3311000628 | Allen screw | 16 | ||||
| 3311000591 | Allen screw | 8 | ||||
| 3311000592 | Usit-ring | 24 | ||||
| 3311004952 | O-ring | 2 | ||||
| 3311000594 | O-ring | 2 | ||||
| 3311006388 | Idle cogwheel pin | 1 | ||||
| 3311006375 | Idle cogwheel | 1 | ||||
| 3311006346 | Bevel gear | 2 | ||||
| 3311003512 | Bolt | 4 | ||||
| 3311000689 | Tapered roller bearing | 2 | ||||
| 3311006389 | Bolt | 20 | ||||
| 3311006355 | O-ring | 2 | ||||
| 3311006356 | Seal | 2 | ||||
| 3311003718 | Allen screw | 14 | ||||
| 3311006393 | Spacer | 5 | ||||
| 3311006394 | Spacer | 5 | ||||
| 3311006395 | Spacer | 5 | ||||
| 3311006392 | Cover | 2 | ||||
| 3311006377 | Drive shaft | 1 | ||||
| 3311006376 | Spur gear | 1 | ||||
| 3311001598 | Cover | 1 | ||||
| 3311000395 | Flange (motor) | 1 | ||||
| 3311006378 | Distance sleeve | 2 | ||||
| 3311005634 | Rubber plate | 1 | ||||
| 3311000689 | Tapered roller bearing | 1 | ||||
| 3311000657 | Tapered roller bearing | 1 | ||||
| 3311006390 | Cover (left) | 1 | ||||
| 3311006391 | Cover (right) | 1 | ||||
| 3311000682 | Allen screw | 28 | ||||
| 3311000658 | O-ring | 1 | ||||
| 3311000691 | O-ring | 1 | ||||
| 3311005920 | Cover | 1 | ||||
| 3311001222 | Socket head bolt | 8 | ||||
| 3311000692 | Seal | 1 | ||||
| 3311005633 | Flat steel | 2 | ||||
| 3311001204 | Motor complete | 1 | ||||
| 3311001205 | Motor complete | 1 | ||||
| 3311001206 | Motor complete | 1 | ||||
| 3311006406 | Cover (motor) | 1 | ||||
| 3311000502 | Hexagon head screw | 11 | ||||
| 3311006240 | Hexagon head screw | 12 | ||||
| 3311002686 | Hexagonal nut | 12 | ||||
| 3311000143 | Cover (motor) | 1 | ||||
| 3311001101 | Distribution housing (motor) | 1 | ||||
| 3311002963 | Cam ring | 1 | ||||
| 3311000189 | Cam ring | 1 | ||||
| 3311000190 | Cam ring | 1 | ||||
| 3311006422 | Cover | 1 | ||||
| 3311002964 | Clyinder block | 1 | ||||
| 3311000203 | Tension pin (motor) | 2 | ||||
| 3311000502 | Hexagon head screw | 5 | ||||
| 3311000683 | Allen screw | 10 | ||||
| 3311000537 | O-ring | 1 | ||||
| 3311000687 | O-ring | 2 | ||||
| 3311000204 | Fitting sleeve (motor) | 2 | ||||
| 3311000521 | Pair of lock washers | 24 | ||||
| 3311000532 | Pair of lock washers | 11 | ||||
| 3311005921 | Cover | 1 | ||||
| 3311002512 | Socket head bolt | 4 | ||||
| 3311000533 | Pair of lock washers | 12 |