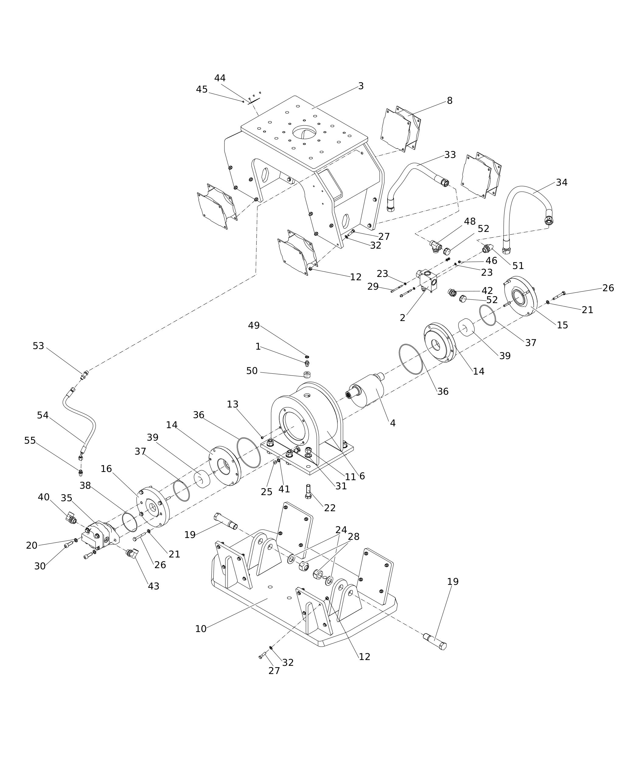
Spare Parts
# | Part number | Name | QTY | Remarks | ||
|---|---|---|---|---|---|---|
| 3316000036 | VENT VALVE | 1 | ||||
| 3316000076 | CONTROL VALVE BLOCK 1 1/16" UNF ports female | 1 | ||||
| 3316000106 | OUTER HOUSING | 1 | ||||
| 3376693004 | ROTOR | 1 | ||||
| 3316000163 | ROTOR HOUSING | 1 | ||||
| 3376100761 | RUBBER ISOLATOR | 4 | ||||
| 3376697403 | TAMPER PLATE | 1 | ||||
| 0291111800 | LOCK NUT | 6 | ||||
| 0291112864 | NUT | 32 | ||||
| 0686612800 | PLUG | 1 | ||||
| 3376696013 | BEARING COVER | 2 | ||||
| 3376696012 | BEARING RETAINER | 1 | ||||
| 3363123131 | BEARING COVER | 1 | ||||
| 3376698143 | AXLE | 2 | ||||
| 3315019510 | LOCK WASHER | 2 | ||||
| 0333217422 | SPRING WASHER | 8 | ||||
| 0147163803 | SCREW, HEX HEAD | 6 | ||||
| 0301233500 | PLAIN WASHER | 4 | ||||
| 0300012949 | PLAIN WASHER | 2 | ||||
| 0686371626 | PLUG | 1 | ||||
| 0147145003 | SCREW, HEX HEAD | 8 | sealed with Loctite 577 | |||
| 5730007026 | HEXAGON HEAD BOLT | 32 | ||||
| 0291112832 | LOCK NUT | 2 | ||||
| 0147134003 | SCREW | 2 | ||||
| 0211147800 | SCREW | 2 | ||||
| 0301240500 | PLAIN WASHER | 6 | ||||
| 0301238600 | PLAIN WASHER | 32 | ||||
| 3316000112 | HYDRAULIC HOSE | 1 | ||||
| 3316000113 | HYDRAULIC HOSE | 1 | ||||
| 3316000085 | HYDRAULIC MOTOR | 1 | ||||
| 5750533127 | O-RING | 2 | ||||
| 0663212019 | O-RING | 2 | ||||
| 3363123133 | O-RING | 1 | ||||
| 5730004165 | BEARING | 2 | ||||
| 3316000116 | ELBOW | 1 | ||||
| 3377016375 | SEAL-RING - Bounded seal - Oil outlet 3/8 USS | 1 | ||||
| 0580001476 | PIPE COUPLING | 1 | ||||
| 3316000202 | 90° ELBOW ADAPTER | 1 | ||||
| 3315439145 | PROTECTIVE PLUG HATCON | 4 | ||||
| 3315439101 | HATCON LABEL | 1 | ||||
| 0291112818 | LOCK NUT | 2 | ||||
| 3316000118 | TEE ADAPTER | 1 | ||||
| 6060008101 | SEAL WASHER | 1 | ||||
| 3315280800 | VALVE RUBBER | 1 | ||||
| 3316000203 | 45° ELBOW ADAPTER G1"-M36 S25 | 1 | ||||
| 0686925030 | CAP | 2 | ||||
| 5750535329 | BULKHEAD UNION | 1 | ||||
| 3316000274 | HYDRAULIC HOSE | 1 | ||||
| 5750535354 | ADAPTER GE8L | 1 |