• Overview
  • Spare Parts
  • Operation
  • Certificates And Protocols
  • Maintenance
  1. Overview
  2. Spare Parts
  3. CB 7500 s/n DEQ199501 -
  4. Service, repair and wear part kits
  5. Cutter blades kit
Service, repair and wear part kits
  • Base plate (33) CB 7500, CC 6000, CC 7000
  • Base plate (34) CB 7500, CC 6000, CC 7000
  • CB 7500 s/n DEQ199501 -
  • CB 7500 DEQ199501-DEQ250000_DGR240001- PDF
  • Service, repair and wear part kits
  • Mechanical
  • Options / accessories
  • Hose kit (casing)
  • Cutter blades kit
  • Seal kit (Hydraulic cylinder)
  • Kit list
© 2026 EpirocLegal notice Privacy policy

Spare Parts

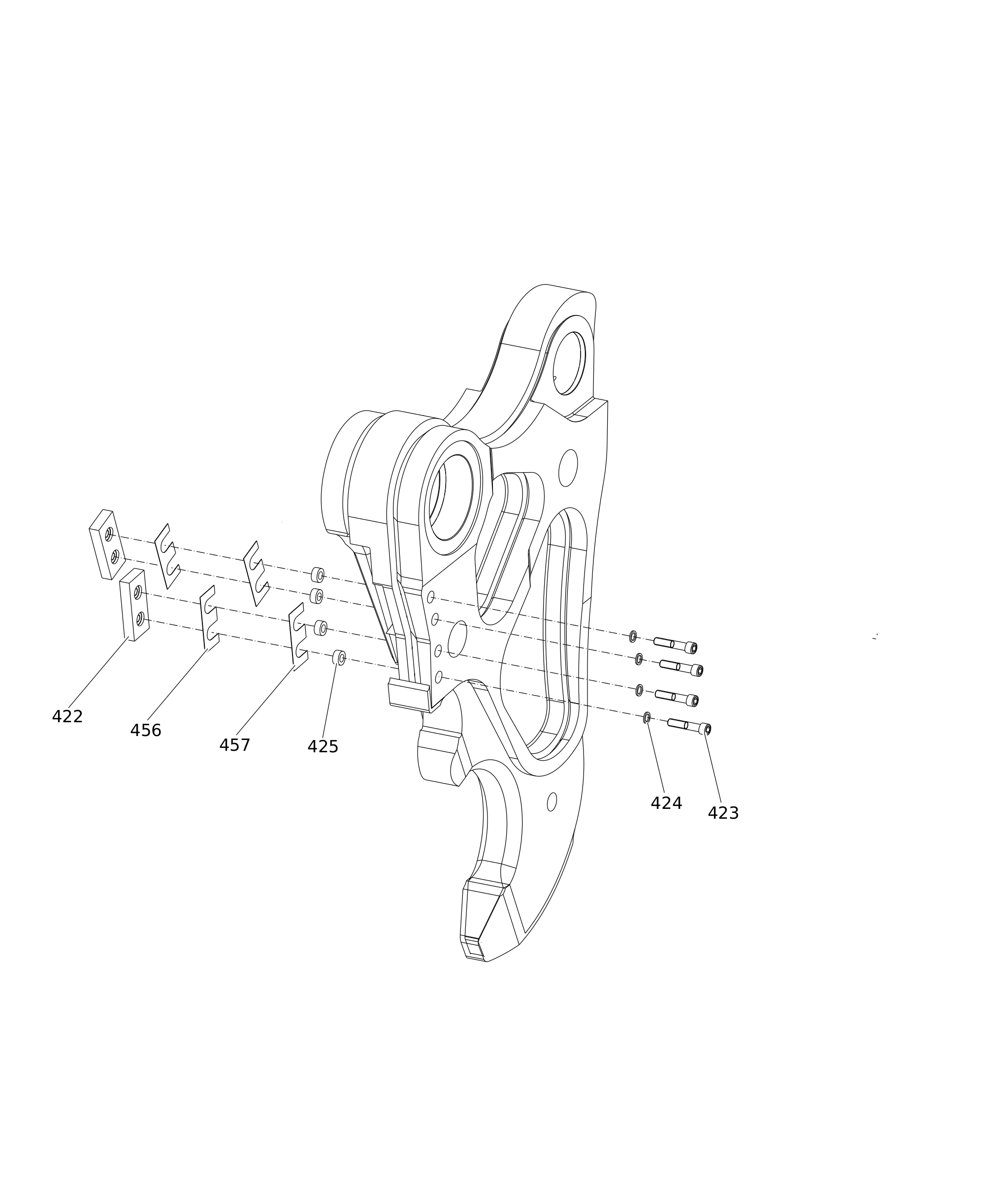
Cutter blades kit

Illustration for 0
#
Part number
Name
QTY
Remarks
Information
3363124617CUTTER BLADES KIT1
3363086479CUTTER BLADE4
3360106100ALLEN SCREW8
3361850748PAIR OF LOCK WASHERS8
3363035107LOCK RING8
3363088149SHIM4
3363087607SHIM4